Наблюдение искусственных спутников Земли

Содержание
[Основная идея]

Часть I: Теория
[Глава 1: Как движутся ИСЗ?]
[Глава 2: Какие орбиты и ИСЗ бывают?]

Часть II: Практика
[Глава 3: Подготовка к наблюдениям]
[Глава 4: О времени]

[Глава 5: Что и как наблюдать?]

§1. Оптические наблюдения

  1. Определение орбит ИСЗ
  2. Фотометрия ИСЗ
    1. Наблюдение вспышек ИСЗ
    2. Фотометрия ИСЗ за пролёт


§2. Радионаблюдения ИСЗ
  1. Приём телеметрии ИСЗ
  2. Получение снимков облачности


[Приложения]
[Использованные источники]


[Полезные ресурсы сети INTERNET]

Глава 5: Что и как наблюдать?


§2. Радионаблюдения ИСЗ


В этом параграфе будут рассмотрены вопросы любительского получения данных с ИСЗ по радиоканалу -- получение телеметрической информации и фотографий облачности. Авторы постарались подробно расписать все этапы создания установки по радионаблюдениям и работу с програмным обеспечением.

Для проведения подобных наблюдений нужен специализированный радиоприёмник -- либо самодельный, либо покупной. Конечно, не каждый любитель астрономии может себе позволить купить радиоприёмник за $200-$300, но эта информация, в любом случае, будет полезна для ознакомления "сателлитчикам". Кроме этого, раз этот тип наблюдений доступен любителям, о нём нужно дать информацию. Для предоставления радионаблюдений в международном стандарте используется специальный формат конференции "Hearsat-L", расшифровка которого дана в Приложениях.

В следующих разделах описаны аспекты, связанные с приёмом радиосигналов со спутников, а сейчас кратко опишем, какое оборудование может понадобиться при такого рода наблюдениях.

Самое важное, что нужно иметь -- радиоприёмник (см. Рис. 1). Выбор модели и производителя определяется стоимостью, частотным диапазоном и наличием нужных модуляций: необходимо наличие SSB-модуляции и NFM.

Рис. 1. Сканирующий радиоприёмник YAESU VR-500.

Не менее важной является антенна. Тип антенны определяется диапазоном принимаемых частот и необходимой чувствительностью.

Если вы не используете антенну, установленную на поворотной площадке стационарно (т.е. уже выставленнуб по азимуту), то в полевых условиях вам будет очень полезен компас.

Рис. 2. Компас.

При наблюдениях мы должны куда-то записывать принимаемый сигнал. Для этого можно использовать устройства, в которых имеется аудио-вход: диктофон, mp3-плеер, ноутбук и т.д.

Рис. 3. MP3-плеер Iriver T30.

Для подсоединения линейного аудиовыхода радиоприёмника к линейному входу устройства звукозаписи нам понадобится специальный кабель, который на концах имеет штекеры Jack-3,5 (если приёмник/диктофон имеют другие аудио-разъёмы, то придётся провод паять самому).

Рис. 4. Кабель Jack3,5 "папа-папа".

[Вверх]

Ещё нам нужны наушники -- для отслеживания уровня сигнала и частоты на слух.

Рис. 5. Наушники.

Так как приёмник имеет только одно гнездо аудиовыхода, то, чтобы прослушивать сигнал с возможностью одновременной записи, нам понадобится "тройник" Jack3,5 "мама+мама→папа" (гнездо аудио-выхода современных устройств устроенотаким образом, что при подсоединении штекера динамик отключается). В гнёзда переходника вставляются наушники и кабель Jack3,5 "папа-папа", а штекер переходника вставляется в гнездо аудио-выхода приёмника.

Рис. 6. "Тройник" Jack3,5 "мама+мама→папа".

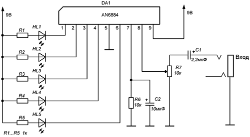
На этом "список-минимум" можно завершить. В заключение опишем ещё одно устройство, которое весьма полезно при проведении радионаблюдений ИСЗ. Дело в том, что аудио-вход звуковой карты ПК или электронного устройства имеет органичение по кровню входного сигнала -- при амплитуде входящего сигнала выше в 2 В линейный вход может сгореть! Безопасным уровнем считается сигнал с амплитудой до 0,5 В. Аудио-выход приёмника может превысить это значение, потому возникает задача контроля уровня выходного аудио-сигнала перед подсоединением устройства звукозаписи. Таким устройством может быть простейший светодиодный индикатор. Схема устойства показана на Рис. 7.

Рис. 7. Схема светодиодного индикатора уровня аудио-сигнала [164].

Индикатор построен на базе одной микросхемы -- AN6884, которая весьма распространена на рынке. Пять светодиодов загораются последовательно с увеличением уровня входного сигнала. Резистор R6 и конденсатор C2 задают "быстроту" загорания светодиодо, подстроечный резистор R7 позволяет выставить "чувствительность" устройства. Питать микросхему можно от 3,5 В до 16 В. Более подробную информацию про устройство можно найти на странице [164].

Устройство можно собирать на макетной плате, либо делать плату самостоятельно. Готовое устройство индикации уровня аудио-сигнала показано на Рис. 8.

Рис. 8. Устройство индикации уровня аудио-сигнала.

Первые три светодиода (HL1-HL3) можно поставить зелёными (приемлемый уровень сигнала), четвёртый -- жёлтым (высокий уровень сигнала), пятый -- красный (слишком высокий уровень сигнала). Вращаяподстроечный резистор R7 при подаче на вход устройтва аудио-сигнала с амплитудой 0,5 В, добиваемся того, чтобы при этом уровне сигнала последний светодиод только начинал светиться. На Рис. 9 показана работа индикатора при подаче аудио-сигнала.

Рис. 9. Работа индикатора уровня аудио-сигнала.

Используя индикатор, всегда можно установить безопасный для записи уровень выходного сигнала.


[Вверх]

© BelAstro.Net, Lupus, 05.11.2012


[Портал BelAstro.Net] [Email]